|


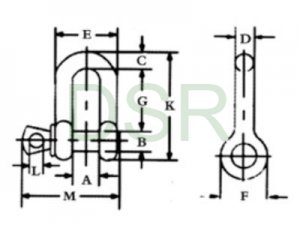
DSR072 U.S.Type G210 Screw Pin D Shackle G210美式直型卸扣
|
ITEM NO.in |
WLL/T |
Weight/KG |
Dimensions(mm) |
Tolerance +/- |
||||||||||
|
A |
B |
C |
D |
E |
F |
G |
K |
L |
M |
G |
A |
|||
|
1/4 |
0.5 |
0.05 |
11.9 |
7.85 |
6.35 |
6.35 |
24.6 |
15.5 |
22.4 |
40.4 |
4.85 |
35.1 |
1.50 |
1.50 |
|
5/16 |
0.75 |
0.08 |
13.5 |
9.65 |
7.85 |
7.85 |
29.5 |
19.1 |
26.2 |
48.5 |
5.60 |
42.2 |
1.50 |
1.50 |
|
3/8 |
1 |
0.13 |
16.8 |
11.2 |
9.65 |
9.65 |
35.8 |
23.1 |
31.8 |
58.5 |
6.35 |
51.5 |
3.30 |
1.50 |
|
7/16 |
1.5 |
0.20 |
19.1 |
12.7 |
11.2 |
11.2 |
41.4 |
26.9 |
36.6 |
67.5 |
7.85 |
60.5 |
3.30 |
1.50 |
|
1/2 |
2 |
0.27 |
20.6 |
16.0 |
12.7 |
12.7 |
46.0 |
30.2 |
41.4 |
77.0 |
9.65 |
68.5 |
3.30 |
1.50 |
|
5/8 |
3.25 |
0.57 |
26.9 |
19.1 |
15.7 |
16.0 |
58.5 |
38.1 |
51.0 |
95.5 |
11.2 |
85.0 |
3.30 |
1.50 |
|
3/4 |
4.75 |
1.20 |
31.8 |
22.4 |
20.6 |
19.1 |
70.0 |
46.0 |
60.5 |
115 |
12.7 |
101 |
6.35 |
1.50 |
|
7/8 |
6.5 |
1.43 |
36.6 |
25.4 |
24.6 |
22.4 |
81.0 |
53.0 |
71.5 |
135 |
12.7 |
114 |
6.35 |
1.50 |
|
1 |
8.5 |
2.15 |
42.9 |
28.7 |
25.4 |
25.4 |
93.5 |
60.5 |
81.0 |
151 |
14.2 |
129 |
6.35 |
1.50 |
|
1-1/8 |
9.5 |
3.06 |
46.0 |
31.8 |
31.8 |
28.7 |
103 |
68.5 |
91.0 |
172 |
16.0 |
142 |
6.35 |
1.50 |
|
1-1/4 |
12 |
4.11 |
51.5 |
35.1 |
35.1 |
31.8 |
115 |
76.0 |
100 |
191 |
17.5 |
156 |
6.35 |
3.30 |
|
1-3/8 |
13.5 |
5.28 |
57.0 |
38.1 |
38.1 |
35.1 |
127 |
84.0 |
111 |
210 |
19.1 |
174 |
6.35 |
3.30 |
|
1-1/2 |
17 |
7.23 |
60.5 |
41.4 |
41.1 |
38.1 |
137 |
92.0 |
122 |
230 |
20.6 |
187 |
6.35 |
3.30 |
|
1-3/4 |
25 |
12.1 |
73.0 |
51.0 |
54.0 |
44.5 |
162 |
106 |
146 |
279 |
25.4 |
231 |
6.35 |
3.30 |
|
2 |
35 |
19.2 |
82.5 |
57.0 |
60.0 |
51.0 |
184 |
122 |
172 |
312 |
31.0 |
263 |
6.35 |
3.30 |
|
2-1/2 |
55 |
32.5 |
105 |
70.0 |
66.5 |
66.5 |
238 |
145 |
203 |
377 |
35.1 |
330 |
6.35 |
6.35 |
Maximum Proof Load is 2times the Working Load Limit. 最大试验负荷为工作负荷极限的2倍
Minimum Ultimate Strength is 4times the Working Load Limit. 最低极限强度为工作负荷极限的4倍

www.dssling.com 版权所有:河北东升索具有限公司 备案:冀ICP备16002345号